Продукти
Прохідний клапан з нержавіючої сталі
  • Прохідний клапан з нержавіючої сталіПрохідний клапан з нержавіючої сталі

Прохідний клапан з нержавіючої сталі

Міцний прохідний клапан J41H, J41Y, J41W з нержавіючої сталі виробництва JQF Valve. Його частина, що відкривається та закривається, є циліндричною заслінкою клапана, ущільнювальна поверхня плоска або конічна, а заслінка клапана рухається лінійно вздовж центральної лінії рідини. Запірний клапан з нержавіючої сталі підходить лише для повного відкриття та повного закриття. Зазвичай він не використовується для регулювання витрати. Його можна регулювати та регулювати під час налаштування.
Foshan Jinqiu Valve Co., LTD. є високоякісним виробником прохідних клапанів із нержавіючої сталі, який об’єднує проектування, розробку, виробництво, продаж і обслуговування. Наша основна продукція включає різні регулюючі клапани, електричні клапани, пневматичні клапани, електромагнітні клапани, ручні клапани, приводи та аксесуари для клапанів.
Наша запірна засувка з нержавіючої сталі – це засувка з литим корпусом з нержавіючої сталі, фланцевими з’єднаннями на обох кінцях і структурою засувки. Його основною функцією є точне регулювання потоку або надійне перекриття середовища в трубопроводах.
Завдяки чудовій стійкості до корозії та надійній герметичності, він став одним із кращих клапанів для корозійних середовищ або систем високої чистоти в хімічній, нафтохімічній, харчовій та фармацевтичній промисловості.
Customers trust JQF valves' high quality, reliable performance, and good and comprehensive customer service. We will continue to innovate to provide first-class valve solutions.

1. Проста структура: конструкція запірного клапана з нержавіючої сталі проста, що робить виготовлення та обслуговування зручним і ефективним.
2. Швидке реагування: короткий робочий хід дозволяє надзвичайно швидко відкривати та закривати клапан.
3. Міцне ущільнення: чудовий ефект ущільнення, мінімальний опір тертю та тривалий термін служби.

Executive Standard

Специфікації конструкції: GB / T 12235
Довжина конструкції: GB / T 12221
Фланцеве з'єднання: JB / T 79
Випробування та перевірка: JB / T 9002
Ідентифікація продукту: GB / T 12220
Характеристики доставки: JB / T 7928

Параметри продуктивності

модель J41H-16C~160C J41Y-16C~160C J41W-16P~160P
Робочий тиск (МПа) 1,6~16,0
належна температура(℃) ≤425 ≤150
Відповідний носій Вода, пара, масло Слабке корозійне середовище
матеріал Кузов, капот Вуглецева сталь Хромонікель-титанова нержавіюча сталь
Шток клапана Хромована нержавіюча сталь Хромонікель-титанова нержавіюча сталь
Ущільнювальна поверхня Наплавлення сплавів на основі заліза Наплавлений сплав Матеріал корпусу
наповнювач Азбестографіт, гнучкий графіт, PTFE

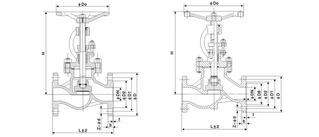
Основна форма і з'єднувальний розмір

Номінальний діаметр Основні розміри та приєднувальні розміри
L D D1 D2 b З-д H D0
J41H-16C
15 130 95 65 45 14-2 4-Φ14 170 120
20 150 105 75 55 14-2 4-Φ14 190 140
25 160 115 85 65 14-2 4-Φ14 205 160
32 180 135 100 78 16-2 4-Φ18 270 180
40 200 145 110 85 16-3 4-Φ18 310 200
50 230 160 125 100 16-3 4-Φ18 358 240
65 290 180 145 120 18-3 4-Φ18 373 240
80 310 195 160 135 20-3 8-Φ18 435 280
100 350 215 180 155 20-3 8-Φ18 500 300
125 400 245 210 185 22-3 8-Φ18 614 320
150 480 280 240 210 24-3 8-Φ23 674 360
200 600 335 295 265 26-3 12-Φ23 811 400
250 650 405 355 320 30-3 12-Φ25 969 450
300 750 460 410 375 30-3 12-Φ25 1145 580
350 850 520 470 435 34-4 16-Φ25 1280 640
400 980 580 525 485 36-4 16-Φ30 1452 640
J41H-25C
15 130 95 65 45 16-2 4-Φ14 170 120
20 150 105 75 55 16-2 4-Φ14 190 140
25 160 115 85 65 16-2 4-Φ14 205 160
32 180 135 100 78 18-2 4-Φ18 270 180
40 200 145 110 85 18-3 4-Φ18 310 200
50 230 160 125 100 20-3 4-Φ18 358 240
65 290 180 145 120 22-3 8-Φ18 373 240
80 310 195 160 135 22-3 8-Φ18 435 280
100 350 230 190 160 24-3 8-Φ23 500 300
125 400 270 220 188 28-3 8-Φ25 614 320
150 480 300 250 218 30-3 8-Φ25 674 360
200 600 360 310 278 34-3 12-Φ25 811 400
250 650 425 370 332 36-3 12-Φ30 969 450
300 750 485 430 390 40-4 16-Φ30 1145 580
350 850 550 490 448 44-4 16-Φ34 1280 640
400 980 610 550 505 48-4 16-Φ34 1452 640

Зображення структури

Гарячі теги: Прохідний клапан з нержавіючої сталі, Китай, на замовлення, якість, довговічність, вдосконалений, виробник, постачальник, фабрика, на складі
Надіслати запит
Контактна інформація
  • Адреса

    No.1, North 1st Road, Stainless Steel New Town, Lecong Steel World West Road, район Шунде, місто Фошань, провінція Гуандун, Китай

  • Електронна пошта

    jinqiufamen@gmail.com

Для запитів щодо засувок, прохідних і зворотних клапанів або прайс-листа, будь ласка, залиште нам свою електронну пошту, і ми зв’яжемося протягом 24 годин.

X
Ми використовуємо файли cookie, щоб запропонувати вам кращий досвід перегляду, аналізувати трафік сайту та персоналізувати вміст. Використовуючи цей сайт, ви погоджуєтеся на використання файлів cookie. Політика конфіденційності
Відхиляти прийняти