Продукти
Зворотний клапан API
  • Зворотний клапан APIЗворотний клапан API

Зворотний клапан API

Високоякісні зворотні клапани API Jinqiu Valve відповідають стандартам ASME, API та GB. Оснащена сучасними обробними центрами з ЧПУ та обладнанням для різання металу, компанія використовує технологію CAD/CAM у проектуванні та виробництві продукції, дотримуючись стандартів ISO9001, щоб забезпечити точність і якість деталей зворотних клапанів API.

Jinqiu Valve, професійний виробник зворотних клапанів у Китаї, наші зворотні клапани API розроблені та виготовлені повністю відповідно до американських стандартів. Ці клапани мають естетично привабливу структуру та передові технології. Зворотні клапани API автоматично відкривають і закривають диск клапана на основі потоку самого середовища, щоб запобігти зворотному потоку. Вони також відомі як односторонні клапани, зворотні клапани або зворотні клапани. Їх основні функції полягають у запобіганні зворотному потоку середовища, запобіганні реверсу насоса та приводного двигуна та запобіганні витоку середовища всередині контейнера.


1. Низький опір потоку: коли зворотний клапан API повністю відкритий, шлях потоку майже не перешкоджає, що призводить до низького падіння тиску.
2. Швидке закриття та запобігання зворотному потоку: важіль диска клапана забезпечує швидку реакцію та закриття навіть на початку зворотного потоку.
3. Широке застосування: підходить для широкого діапазону діаметрів труб, від DN50 до DN1200 і вище.

Параметри продуктивності

Серійний номер назва проекту параметр
1 Номінальний тискPN (МПа) 150 фунтів 300 фунтів 600 фунтів 900 фунтів 1500 фунтів 2500 фунтів
2.0 5.0 10.0 15.0 25.0 42.0
2 Випробувальний тиск на міцність оболонки Номінальний тиск при кімнатній температурі в 1,5 рази
3 Випробувальний тиск ущільнення високого тиску Номінальний тиск при кімнатній температурі в 1,1 рази
4 Робочий тиск при кімнатній температурі Натисніть тиск і температуру ASME B16.34

Технічні характеристики продукції

стандарти проектування Довжина конструкції Розмір фланцевого з'єднання Випробування та перевірка Еталонний тиск і температура
API6D/ASME B16.34 ASME B16.10 ASME B16.5 API598/API6D ASME B16.34

Матеріал основної частини

Назва частини Назва матеріалу
Тіло A216 WCB A217 WC6 A351 CF8 A351 CF8M A351 CF3 A351 CF3M
шапка A216 WCB A217 WC6 A351 CF8 A351 CF8M A351 CF3 A351 CF3M
Пластина клапана A216 WCB A217 WC6 A351 CF8 A351 CF8M A351 CF3 A351 CF3M
Ущільнювальна поверхня 13Cr/STL STL Корпус / STL Корпус / STL Корпус / STL Корпус / STL
Вал клапана A182 F6a A182 F11 A182 F304 A182 F316 A182 F304L A182 F316L
Прокладка Гнучкий графіт Гнучкий графіт Гнучкий графіт Гнучкий графіт Гнучкий графіт Гнучкий графіт
болт A193 B7 A193 B16 A193 B8 A193 B8M A193 B8 A193 B8M
гайка A194 2H A194 4 A194 8 A194 8M A194 8 A194 8M
Робоча температура -29~425 ℃ -29~540 ℃ -46~425 ℃ -46~425 ℃ -46~425 ℃ -46~425 ℃
Відповідний носій пара пара Слабкорозійний Слабкорозійний Слабкорозійний Слабкорозійний

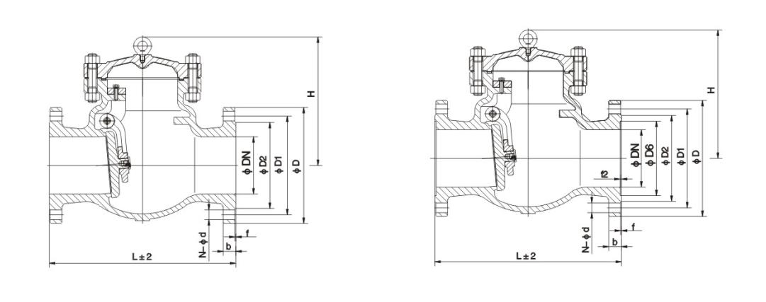
Основна форма і приєднувальні розміри

Номінальний діаметр розмір
m в L D D1 D2 b f n-Φd H
H44H-150Lb
50 2 203 152 120.5 92 16 1.6 4-19 180
80 3 241 192 152.5 127 19 1.6 4-19 190
100 4 297 229 190.5 157 24 1.6 8-19 203
125 5 330 254 216 186 24 1.6 8-22 229
150 6 356 279 241.5 216 26 1.6 8-22 257
200 8 495 342 298.5 270 29 1.6 8-22 292
250 10 622 406 362 324 31 1.6 12-25 355
300 12 698 483 432 381 32 1.6 12-25 396
H44H-300Lb
50 2 267 165 127 92 23 1.6 8-19 178
80 3 318 210 168.5 127 29 1.6 8-22 216
100 4 356 254 200 157 32 1.6 8-22 241
125 5 400 279 235 186 35 1.6 8-22 267
150 6 444 318 270 216 37 1.6 12-22 305
200 8 533 381 330 270 42 1.6 12-25 368
250 10 622 445 387 324 48 1.6 16-29 394
300 12 711 521 451 381 51 1.6 16-32 445
H44H-600Lb
50 2 295 165 127 92 33 6.4 8-19 203
80 3 359 210 168 127 36 6.4 8-22 235
100 4 435 273 216 157 45 6.4 8-25 286
125 5 511 330 266.5 186 52 6.4 8-29 292
150 6 562 356 292 216 55 6.4 12-29 330
200 8 664 419 349 270 63 6.4 12-32 381
250 10 791 510 432 324 71 6.4 16-35 457
300 12 842 559 489 381 74 6.4 20-35 584

Зображення структури

Гарячі теги: Зворотний клапан API, Китай, індивідуальний, якісний, міцний, розширений, виробник, постачальник, фабрика, на складі
Надіслати запит
Контактна інформація
  • Адреса

    No.1, North 1st Road, Stainless Steel New Town, Lecong Steel World West Road, район Шунде, місто Фошань, провінція Гуандун, Китай

  • Електронна пошта

    jinqiufamen@gmail.com

Для запитів щодо засувок, прохідних і зворотних клапанів або прайс-листа, будь ласка, залиште нам свою електронну пошту, і ми зв’яжемося протягом 24 годин.

X
Ми використовуємо файли cookie, щоб запропонувати вам кращий досвід перегляду, аналізувати трафік сайту та персоналізувати вміст. Використовуючи цей сайт, ви погоджуєтеся на використання файлів cookie. Політика конфіденційності
Відхиляти прийняти